返回首页   |    联系我们

热门搜索:磁性传感器系列、接近传感器系列、压力传感器和光电传感器系列产品

产品分类

联系我们

武汉光迪机械有限公司

联系人:李女士

手机:13717309426

固话:027-81319882 、027-81319956

地址:湖北省武汉市东湖新技术开发区大学园路29号光谷物联港项目7号楼2层5号

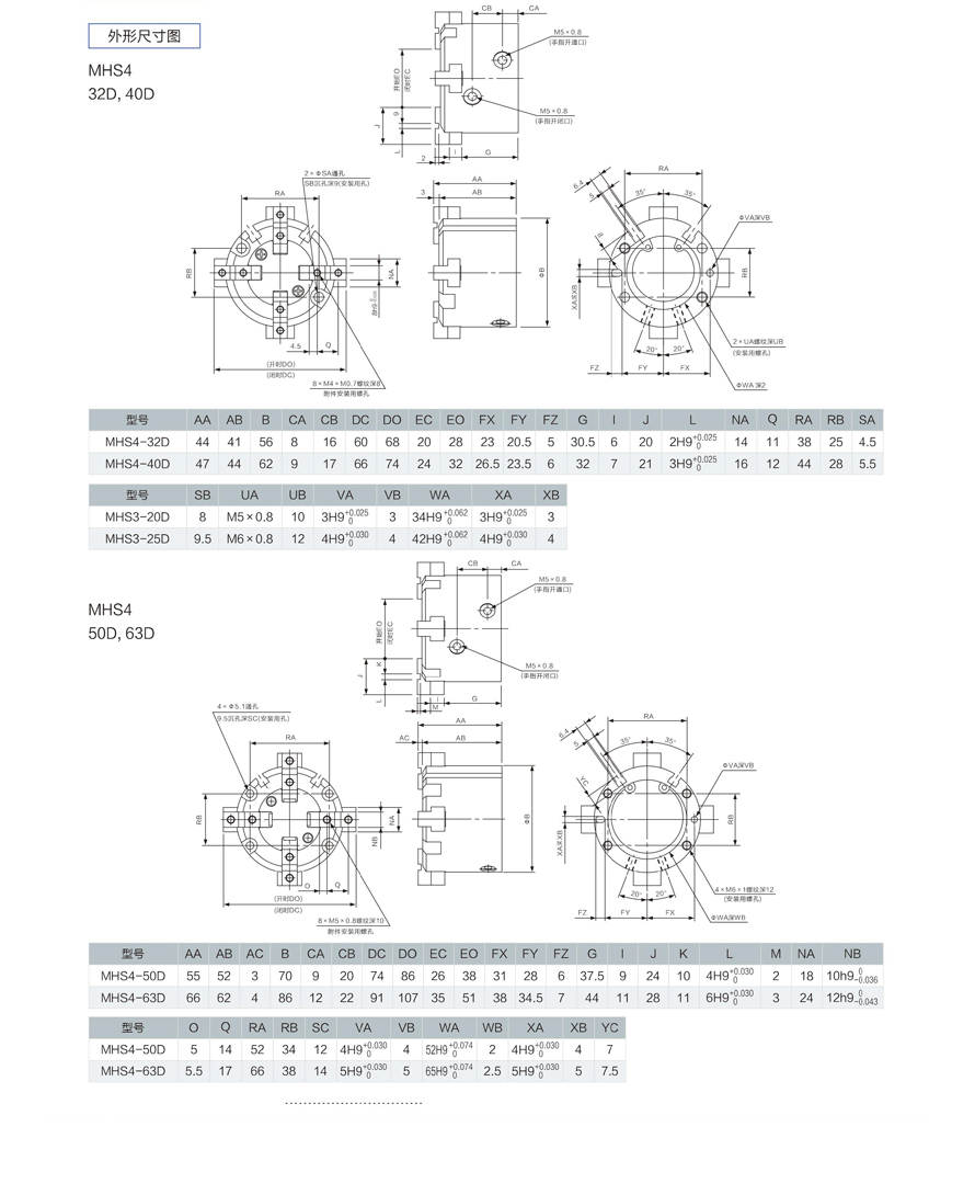
  • MHS3/MHS4气爪
介绍:

 

上一篇:MHY2气爪
下一篇:MHC2气爪